FCBGA-254 (002-15707)

PG-TF2BGA-254-800

封装细节

  • 封装材料
    PG
  • 封装系列
    PG-TF2BGA
  • 端子
    254
  • 变体
    800
  • 裸露焊盘
  • 本体长度 (mm)
    10.008
  • 本体宽度 (mm)
    10.008
  • 最小端子间距 (mm)
    0.4
  • TAPE & REEL
    Pieces/Box
    Tubes/Box
     
    1250
    1

图片库

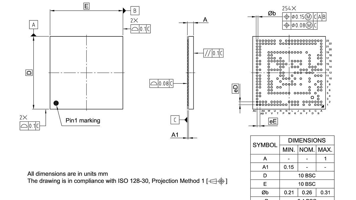
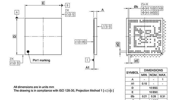
PG-TF2BGA-254-800_Package Outline
PG-TF2BGA-254-800_Package Outline
PG-TF2BGA-254-800_Package Outline PG-TF2BGA-254-800_Package Outline PG-TF2BGA-254-800_Package Outline
PG-TF2BGA-254-800_Footprint Drawing PG-TF2BGA-254-800_Footprint Drawing PG-TF2BGA-254-800_Footprint Drawing

文件和图纸