Background for document preview
Background for thumbnail

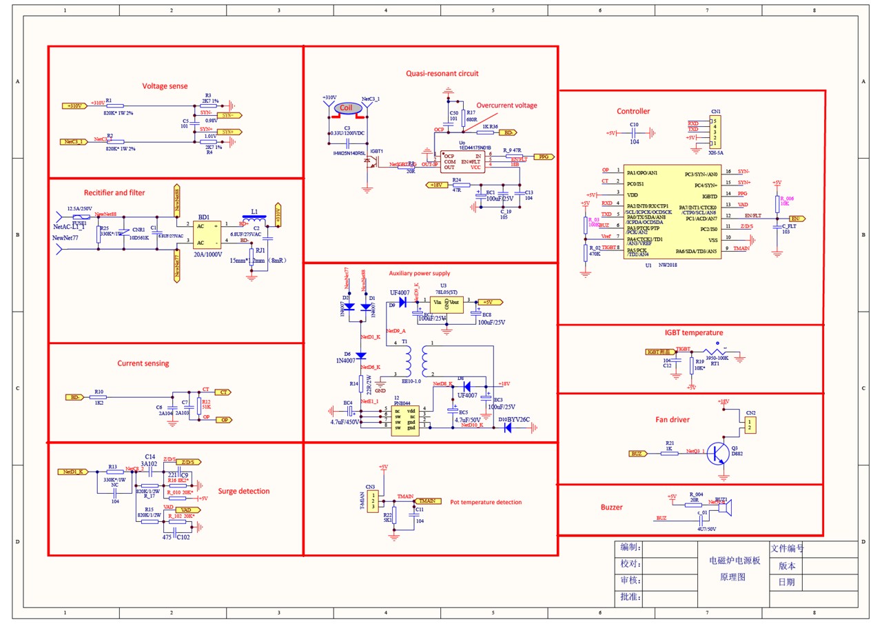
Schematics - EVAL-IHW25N140R5L

450.36 KB
10/10/2023