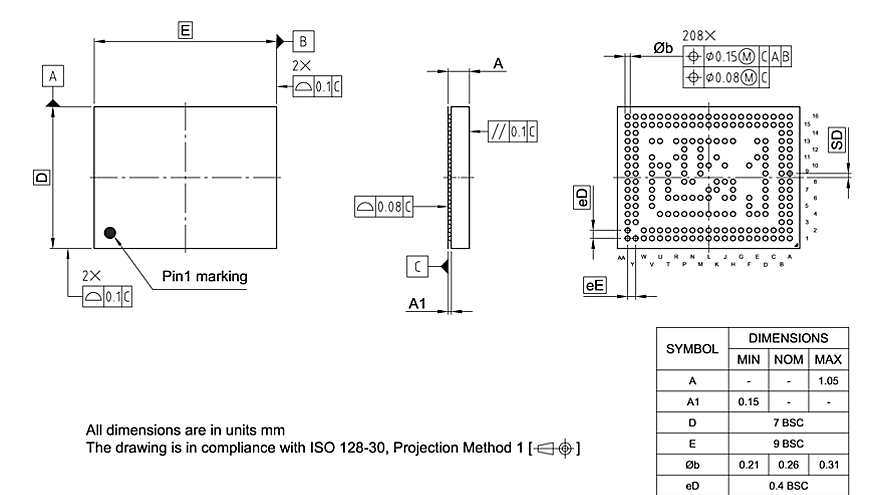
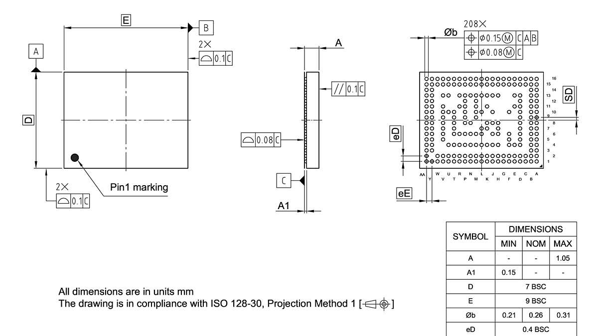
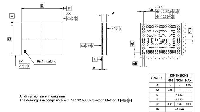
FCBGA-208 (002-13600)

PG-TF2BGA-208-800

封装细节

  • 封装材料
    PG
  • 封装系列
    PG-TF2BGA
  • 端子
    208
  • 变体
    800
  • 裸露焊盘
  • 本体长度 (mm)
    9.0
  • 本体宽度 (mm)
    7.0
  • 最小端子间距 (mm)
    0.5

图片库

PG-TF2BGA-208-800_Package Outline
PG-TF2BGA-208-800_Package Outline
PG-TF2BGA-208-800_Package Outline PG-TF2BGA-208-800_Package Outline PG-TF2BGA-208-800_Package Outline

文件和图纸