- 航空航天
- 智能汽车解决方案
- 消费类电子产品
- 健康和 生活方式
- 家用电器
- 工业
- 信息和通信技术
- 可再生能源
- 机器人
- 安全解决方案
- 智能家居和楼宇
- 解决方案
- 概览
- 电源适配器和充电器
- 适用于智能电视的完整系统解决方案
- 移动设备和智能手机解决方案
- 多旋翼飞机和无人机
- 电动工具
- 家庭娱乐应用的半导体解决方案
- 智能会议系统
- 概览
- 汽车辅助系统
- 车载网关
- 汽车pds配电系统
- 车身控制模块 (BCM)
- 舒适便捷电子产品
- 区域 DC-DC 转换器 48 V-12 V
- 区域控制器
- 最新动态
- 概览
- AIROC™ 软件&工具
- AURIX™应用软件
- DRIVECORE 用于汽车软件开发
- iMOTION™ 工具和软件
- Infineon智能功率开关和栅极驱动器工具套件
- MOTIX 软件&工具
- OPTIGA™工具和软件
- PSOC™ 软件&工具
- TRAVEO™ 软件&工具
- XENSIV™ 工具和软件
- XMC™ 工具和软件
- 概览
- EZ-PD™ CCGx Dock 软件开发工具包
- FMx Softune IDE
- ModusToolbox™ 软件
- PSOC™ Creator软件
- 雷达开发套件
- 锈
- USB 集线器控制器
- 无线连接蓝牙网状网络辅助应用程序
- XMC™ DAVE™ 软件
- 最新动态
- 支持
- 培训
- 英飞凌开发者社区
- 最新消息
商业财经新闻
16/02/2026
商业财经新闻
10/02/2026
季度报告
04/02/2026
商业财经新闻
03/02/2026
- 公司名称
- 我们的故事
- 活动资讯
- 新闻中心
- 投资者
- 职业生涯
- 质量
- 最新消息
商业财经新闻
16/02/2026
商业财经新闻
10/02/2026
季度报告
04/02/2026
商业财经新闻
03/02/2026
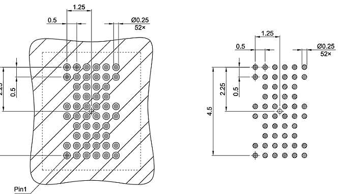
PG-VFBGA-52-800
封装细节
-
封装材料PG
-
封装系列PG-VFBGA
-
端子52
-
变体800
-
裸露焊盘否
-
本体长度 (mm)6.0
-
本体宽度 (mm)5.0
-
最小端子间距 (mm)0.5
图片库