BGSA1130BC

SG-XFWLP-8-1

封装细节

  • 封装材料
    SG
  • 封装系列
    SG-XFWLP
  • 端子
    8
  • 变体
    1
  • 裸露焊盘
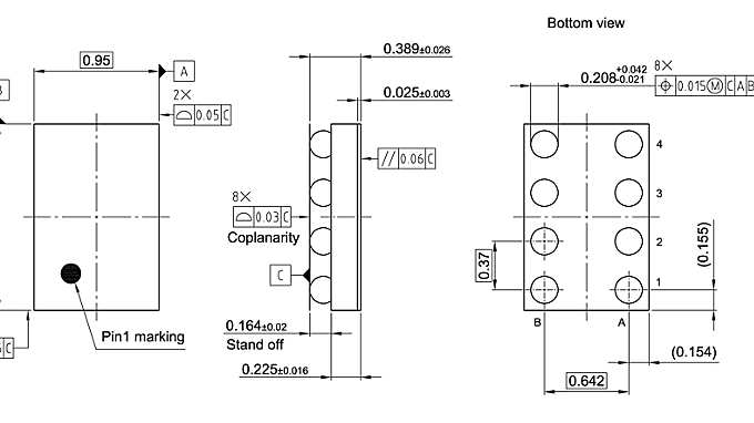
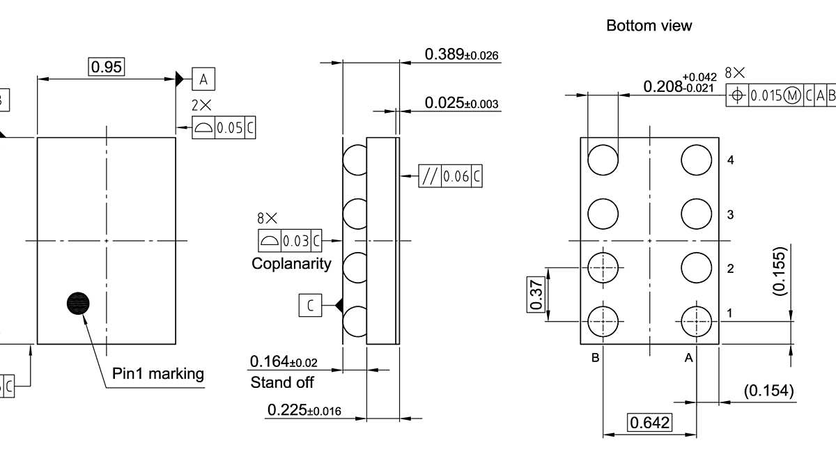
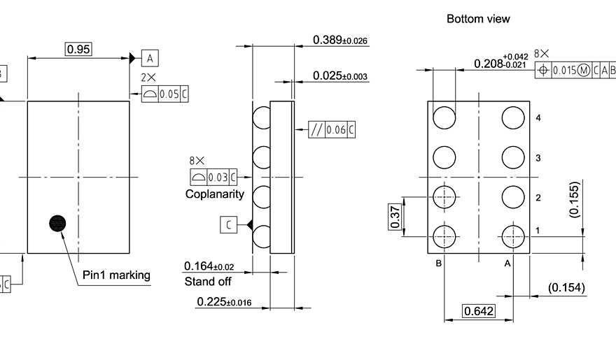
  • 本体长度 (mm)
    0.95
  • 本体宽度 (mm)
    1.42
  • 最小端子间距 (mm)
    0.37
  • TAPE & REEL
    Pieces/Box
    Tubes/Box
    卷盘直径 (mm)
     
    20000
    1
    330

图片库

SG-XFWLP-8-1_Footprint Drawing
SG-XFWLP-8-1_Footprint Drawing
SG-XFWLP-8-1_Footprint Drawing SG-XFWLP-8-1_Footprint Drawing SG-XFWLP-8-1_Footprint Drawing
SG-XFWLP-8-1_Package Outline SG-XFWLP-8-1_Package Outline SG-XFWLP-8-1_Package Outline
SG-XFWLP-8-1_Tape and Reel_01 SG-XFWLP-8-1_Tape and Reel_01 SG-XFWLP-8-1_Tape and Reel_01

文件和图纸