Background for document preview
Background for thumbnail

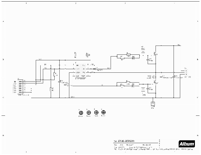
Schematics - EVAL-2ED2184

1.16 MB
17/01/2024