- ASIC
- 电池管理 IC
- 时钟和时序解决方案
- ESD 和浪涌保护器件
- 汽车以太网
- 评估板
- 高可靠性
- 隔离
- 存储器
- 微控制器
- 功率产品
- 射频
- 安全智能卡解决方案
- 传感器技术
- 小信号晶体管和二极管
- 收发器
- 通用串行总线(USB)
- 无线连接
- 英飞凌大中华区生态圈
- 搜索工具
- 技术
- 封装
- 购买渠道
- 概览
- 嵌入式闪存eFlash IP 解决方案
- RAM和Flash多芯片封装MCP解决方案
- F-RAM铁电存储器
- NOR 闪存
- nvsRAM非易失性存储器
- PSRAM伪静态随机存储器
- 抗辐射和高可靠性的存储器
- RRAM阻变存储器
- SRAM静态随机存储器
- 晶圆和裸片存储器解决方案
- 概览
- AC-DC电源转换
- 电动汽车动力系统
- D 类音频放大器 IC
- 非接触式电源和检测 IC
- DC-DC 转换器
- 二极管&晶闸管 (Si/SiC)
- 氮化镓(GaN)
- GaN EiceDRIVER™高速栅极驱动器
- IGBT 产品及驱动器件
- 智能功率模块(IPM)
- LED 驱动芯片
- 电机控制 IC 和驱动
- 高效能功率MOSFET 和 MOS管
- 功率模块
- 电源模块
- 保护和监控IC
- 碳化硅 (SiC)
- 智能电源开关
- 固态继电器
- 无线充电 IC
- 概览
- Calypso® 产品
- CIPURSE™ 产品
- 非接触式存储
- 了解 OPTIGA™ 嵌入式加密解决方案
- SECORA™ 安全解决方案
- 安全控制器
- 智能卡模块
- 政府身份证的智能解决方案
- 概览
- REAL3™ 3D ToF 图像传感器
- MOTIX™ MCU (SoC) 基于 Arm® Cortex®-M0,集成半桥驱动器
- 气体传感器
- Inductive position sensors
- 微机电系统麦克风
- 压力传感器
- 雷达传感器
- 磁性位置传感器
- 磁性速度传感器
- 概览
- USB 2.0 外设控制器
- USB 3.2 外设控制器
- USB 集线器控制器
- USB PD 高压微控制器
- USB-C AC-DC 和 DC-DC 充电解决方案
- USB-C 充电端口控制器
- USB-C 供电控制器
- 概览
- AIROC™ 车载无线
- AIROC™ 蓝牙Bluetooth® 和多协议解决方案
- AIROC™ 互联微控制器
- AIROC™ Wi-Fi + Bluetooth® 组合
- 概览
- FM0+ 32 位 Arm® Cortex-M0®+ 微控制器 (MCU) 系列
-
FM3 32 位 Arm® Cortex-M3® 微控制器 (MCU) 系列
- 概览
- FM3 CY9AFx1xK 系列 Arm® Cortex-M3® 微控制器 (MCU)
- FM3 CY9AFx1xL/M/N 系列 Arm® Cortex-M3® 微控制器 (MCU)
- FM3 CY9AFx2xK/L 系列 Arm® Cortex-M3® 微控制器 (MCU)
- FM3 CY9AFx3xK/L 系列超低漏电流 Arm® Cortex-M3® 微控制器 (MCU)
- FM3 CY9AFx4xL/M/N 系列低功耗 Arm® Cortex-M3® 微控制器 (MCU)
- FM3 CY9AFx5xM/N/R 系列低功耗 Arm® Cortex-M3® 微控制器 (MCU)
- FM3 CY9AFxAxL/M/N 系列超低漏电流 Arm® Cortex-M3® 微控制器 (MCU)
- FM3 CY9BFx1xN/R 高性能系列 Arm® Cortex-M3® 微控制器 (MCU)
- FM3 CY9BFx1xS/T 高性能系列 Arm® Cortex-M3® 微控制器 (MCU)
- FM3 CY9BFx2xJ 系列 Arm® Cortex-M3®微控制器 (MCU)
- FM3 CY9BFx2xK/L/M 系列 Arm® Cortex-M3® 微控制器 (MCU)
- FM3 CY9BFx2xS/T 系列 Arm® Cortex-M3® 微控制器 (MCU)
- FM4 32 位 Arm® Cortex-M4® 微控制器 (MCU) 系列
- 概览
-
TriCore™ AURIX™ TC2x安全模块
- 概览
- AURIX™系列 – TC21xL
- AURIX™ 系列 – TC21xSC (无线充电)
- AURIX™ 系列 – TC22xL
- AURIX™系列 – TC23xL
- AURIX™ 系列 – TC23xLA (ADAS)
- AURIX™ 系列 – TC23xLX
- AURIX™ 系列 – TC264DA (ADAS)
- AURIX™系列 – TC26xD
- AURIX™ 系列 – TC27xT
- AURIX™ 系列 – TC297TA (ADAS)
- AURIX™ 系列 – TC29xT
- AURIX™ 系列 – TC29xTT (ADAS)
- AURIX™系列 – TC29xTX
- AURIX™ TC2x仿真器件
- 32 位TriCore™ AURIX™ – TC3x
- 32 位TriCore™ AURIX™ - TC4x
- 概览
- PSoC™ 4 Arm® Cortex® -M0/M0+
- PSoC™ 4 HV Arm® Cortex® -M0+
- PSoC™ 5 LP Arm® Cortex® -M3
- PSOC™ 6 Arm® Cortex-M4®/M0+
- PSOC™ Multitouch Arm® Cortex®-M0
- 32 位 PSOC ™ Control Arm® Cortex ® -M33 MCU
- PSOC™ Fingerprint Arm® Cortex®-M0+
- PSOC™ Automotive 4: Arm® Cortex®-M0/M0+
- PSoC™ Edge Arm® Cortex® M55/M33
- 概览
- 32 位 TRAVEO™ T2G Arm® Cortex®用于车身电子应用
- 用于仪表盘的 32 位 TRAVEO™ T2G Arm® Cortex®
- 概览
- 32 位XMC1000工业微控制器 Arm® Cortex-M0®
- 32 位XMC4000工业微控制器 Arm® Cortex-M4®
- XMC5000 Industrial Microcontroller Arm® Cortex®-M4F
- 32 位XMC7000工业微控制器 Arm® Cortex-M7®
- 概览
- 桥式整流器和交流开关
- CoolSiC™ 肖特基二极管
- 二极管裸片
- 硅二极管
- 晶闸管/二极管模块
- 晶闸管软启动器模块
- 晶闸管/二极管盘
- 概览
- 32-bit PSOC™ Control Arm® Cortex®-M33 MCU
- iMOTION™集成电机控制解决方案
- Embedded Power ICs (System-on-Chip) -146
- MOTIX™电机控制IC用于BLDC电机
- MOTIX™ 电机控制IC,用于有刷直流电机
- MOTIX™ 多半桥IC用于伺服和步进电机
- 概览
- 汽车级MOSFET
- 双 MOSFET
- MOSFET(Si 和 SiC)模块
- N 沟道耗尽型 MOSFET
- N沟道MOS管
- P沟道MOS管- 功率MOSFET
- 碳化硅 CoolSiC™ MOSFET
- 250V至600V G14小信号MOS
- 概览
- OPTIGA™ Authenticate
- OPTIGA™ Authenticate NFC 解决方案
- OPTIGA™ Connect – 交钥匙式 eSIM 安全解决方案
- OPTIGA™ Trust
- OPTIGA™ 可信平台模块 (TPM)
- 概览
- EZ-PD™ ACG1F 单端口 USB-C 控制器
- EZ-PD™ CCG2 USB Type-C 端口控制器
- EZ-PD™ CCG3PA Automotive USB-C 和 Power Delivery 控制器
- EZ-PD™ CCG4 双端口 USB-C 和 PD
- EZ-PD™ CCG5 双端口和 CCG5C 单端口 USB-C PD 控制器
- EZ-PD™ CCG6 单端口 USB-C & PD 控制器
- EZ-PD ™ CCG6_CFP 和 EZ-PD ™ CCG8_CFP 双单端口 USB-C PD
- EZ-PD™ CCG6DF 双端口和 CCG6SF 单端口 USB-C PD 控制器
- EZ-PD™ CCG7D 汽车双口 USB-C PD + DC-DC 控制器
- EZ-PD™ CCG7S 汽车单口 USB-C PD 解决方案,配备DC-DC控制器
- EZ-PD™ CCG7SAF 车规级单端口 USB-C PD + DC-DC 控制器 + FETs
- EZ-PD™ CCG8 双/单口 USB-C PD
- EZ-PD™ CMG1 USB-C EMCA 控制器
- 支持 EPR 的 EZ-PD™ CMG2 USB-C EMCA 控制器
- 最新动态
- 航空航天
- 智能汽车解决方案
- 消费类电子产品
- 健康和 生活方式
- 家用电器
- 工业
- 信息和通信技术
- 可再生能源
- 机器人
- 安全解决方案
- 智能家居和楼宇
- 解决方案
- 概览
- 适配器和充电器
- 适用于智能电视的完整系统解决方案
- 移动设备和智能手机解决方案
- 多旋翼飞机和无人机
- 电动工具
- 家庭娱乐应用的半导体解决方案
- 智能会议系统
- 概览
- 汽车辅助系统
- 车载网关
- 汽车配电系统
- 车身控制模块 (BCM)
- 舒适便捷电子产品
- 区域 DC-DC 转换器 48 V-12 V
- 区域控制器
- 概览
- 汽车车载主机
- 汽车 USB-C 电源和数据解决方案
- 汽车仪表盘
- 汽车远程信息处理控制单元 (TCU)
- 中央信息显示屏(CID)
- 高性能驾驶舱控制器
- 舱内无线充电
- 智能仪表盘(电动两轮车和三轮车)
- 最新动态
- 概览
- AIROC™ 软件&工具
- AURIX™应用软件
- DRIVECORE 用于汽车软件开发
- iMOTION™ 工具和软件
- Infineon智能功率开关和栅极驱动器工具套件
- MOTIX 软件&工具
- OPTIGA™工具和软件
- PSOC™ 软件&工具
- TRAVEO™ 软件&工具
- XENSIV™ 工具和软件
- XMC™ 工具和软件
- 概览
- EZ-PD™ CCGx Dock 软件开发工具包
- FMx Softune IDE
- ModusToolbox™ 软件
- PSOC™ Creator软件
- 雷达开发套件
- 锈
- USB 集线器控制器
- 无线连接蓝牙网状网络辅助应用程序
- XMC™ DAVE™ 软件
- 最新动态
- 支持
- 培训
- 英飞凌开发者社区
- 最新消息
商业财经新闻
16/12/2025
商业财经新闻
08/12/2025
商业财经新闻
04/12/2025
商业财经新闻
03/12/2025
- 公司名称
- 我们的故事
- 活动资讯
- 新闻中心
- 投资者
- 职业生涯
- 质量
- 最新消息
商业财经新闻
16/12/2025
商业财经新闻
08/12/2025
商业财经新闻
04/12/2025
商业财经新闻
03/12/2025
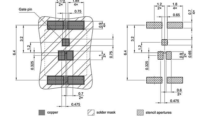
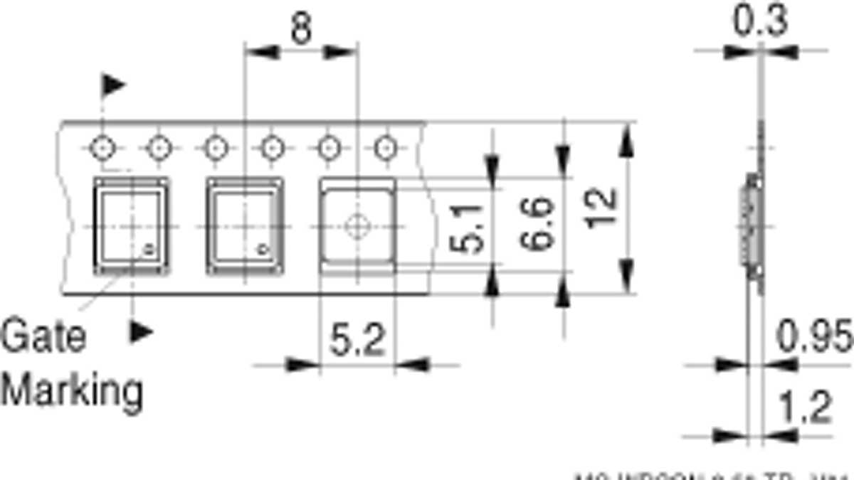
封装细节
-
封装材料MG
-
封装系列MG-WDSON
-
端子2
-
变体9
-
裸露焊盘否
-
本体长度 (mm)6.3
-
本体宽度 (mm)4.93
-
最小端子间距 ()0.0
-
TAPE & REELPieces/ReelReels/Box卷盘直径 (mm)50001330
图片库