PG-LIQFN-23-1

封装细节

  • 封装材料
    PG
  • 封装系列
    PG-LIQFN
  • 端子
    23
  • 变体
    1
  • 裸露焊盘
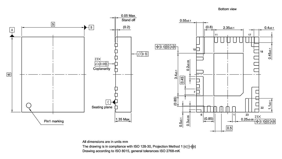
  • 本体长度 (mm)
    5.0
  • 本体宽度 (mm)
    6.0
  • 最小端子间距 (mm)
    0.5

图片库

PG-LIQFN-23-1_Package Outline
PG-LIQFN-23-1_Package Outline
PG-LIQFN-23-1_Package Outline PG-LIQFN-23-1_Package Outline PG-LIQFN-23-1_Package Outline
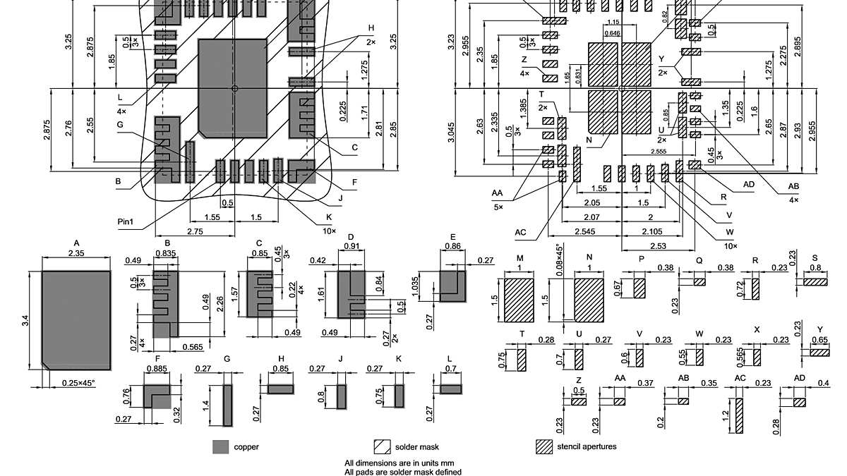
PG-LIQFN-23-1_Footprint Drawing PG-LIQFN-23-1_Footprint Drawing PG-LIQFN-23-1_Footprint Drawing

文件和图纸