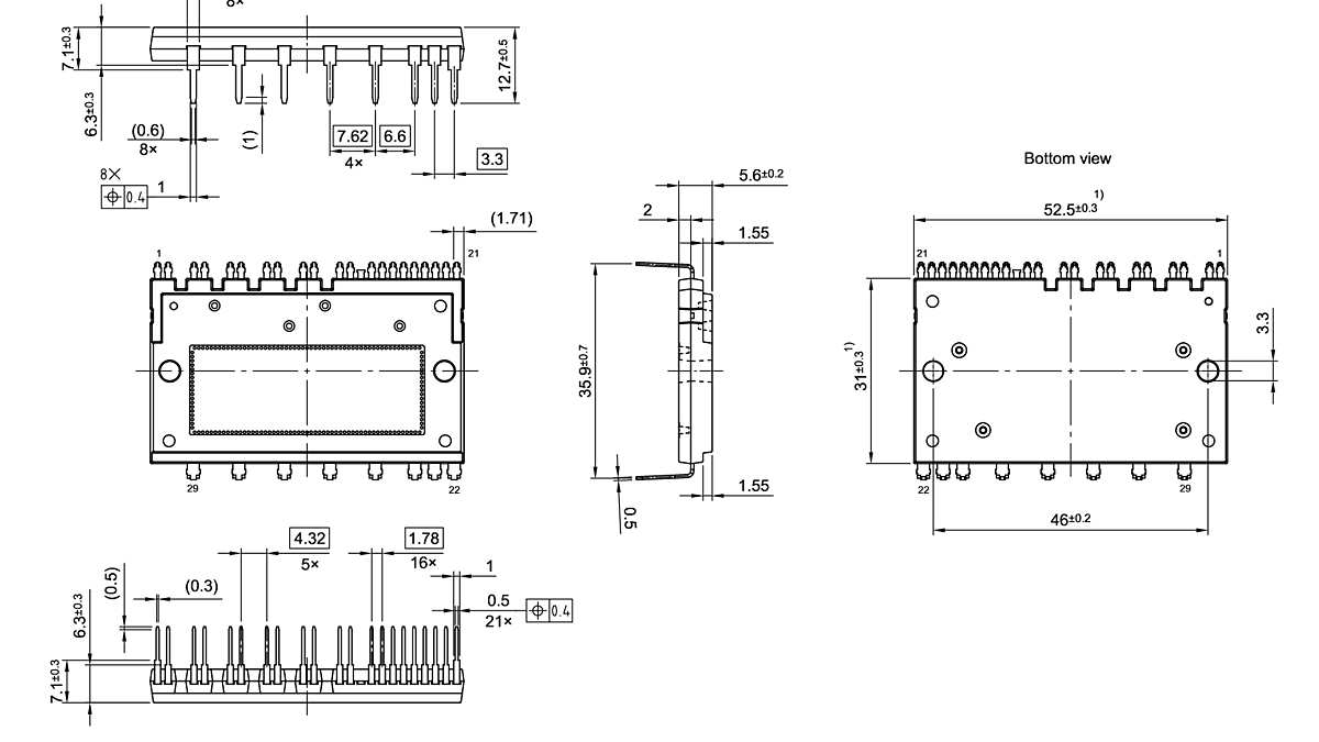
DIP 51x33D

PG-MDIP-29-1

封装细节

  • 封装材料
    PG
  • 封装系列
    PG-MDIP
  • 端子
    29
  • 变体
    1
  • 裸露焊盘
  • 本体长度 (mm)
    52.5
  • 本体宽度 (mm)
    31.0
  • 最小端子间距 (mm)
    1.6
英飞凌提供不同的模块双列直插式封装(MDIP)。 与基于框架的功率模块相比,双面冷却的模制功率模块的外形明显小得多。 引线端接设计允许采用各种安装技术,例如焊接。 典型产品有IGBT、MOSFET模块和智能功率模块(IPM)。

图片库

PG-MDIP-29-1_Package Outline
PG-MDIP-29-1_Package Outline
PG-MDIP-29-1_Package Outline PG-MDIP-29-1_Package Outline PG-MDIP-29-1_Package Outline

文件和图纸