Background for document preview
Background for thumbnail

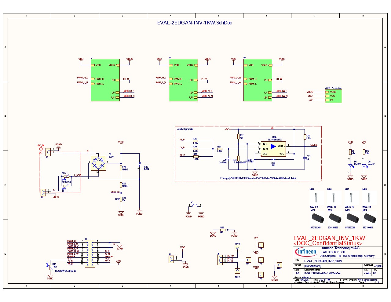
EVAL-2EDGAN-INV-1KW - Schematics

3.09 MB
06/06/2025