Background for document preview
Background for thumbnail

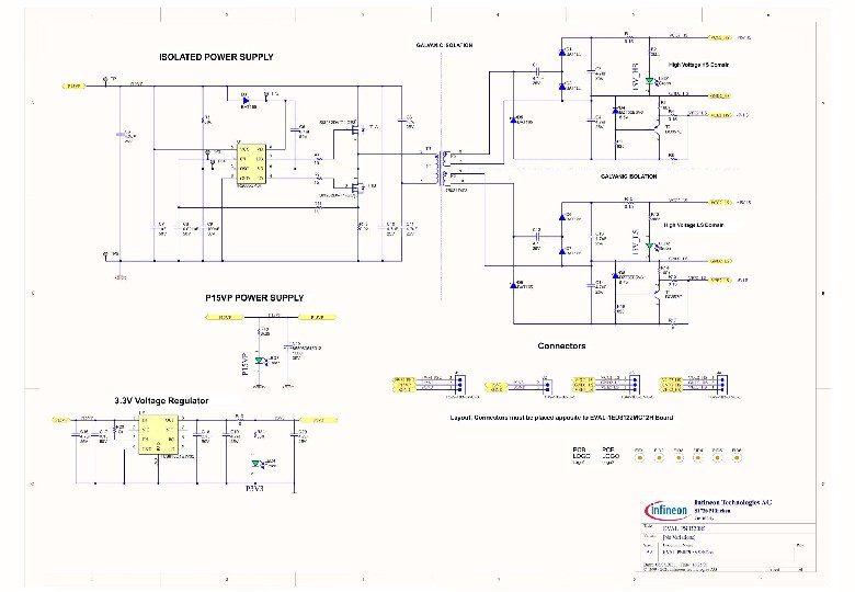
Schematics - EVAL-PSIR2085

672.75 KB
11/10/2021