PG-VRDFN-8-3

封装细节

  • 封装材料
    PG
  • 封装系列
    PG-VRDFN
  • 端子
    8
  • 变体
    3
  • 裸露焊盘
  • 本体长度 (mm)
    6.0
  • 本体宽度 (mm)
    5.0
  • 最小端子间距 ()
    0.0

图片库

PG-VRDFN-8-3_Tape and Reel
编带卷盘式包装示意图 - PG-VRDFN-8-3
PG-VRDFN-8-3_Tape and Reel PG-VRDFN-8-3_Tape and Reel PG-VRDFN-8-3_Tape and Reel
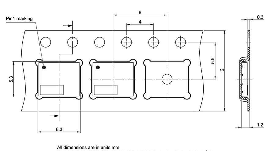
PG-VRDFN-8-3_Footprint Drawing PG-VRDFN-8-3_Footprint Drawing PG-VRDFN-8-3_Footprint Drawing
PG-VRDFN-8-3_Package Outline PG-VRDFN-8-3_Package Outline PG-VRDFN-8-3_Package Outline

文件和图纸